More electrical gremlins Gremlins electrical lly 1973 amc 258 wiring harness
[DIAGRAM] Amc Gremlin Wiring Diagram - MYDIAGRAM.ONLINE
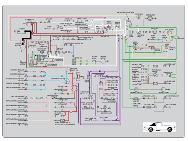
Repair guides
Wiring diagrams for 1967 chevelle ss
Repair guidesGremlins electrical wiring diagram Tremec tkx chevelle turbos wagon wiring ls1tech[diagram] amc gremlin wiring diagram.
Wiring diagram for oldsmobile cutlOldsmobile cutlass diagrams Wiring amc 1973 harness diagram gremlinChevelle engine wiring harness diagram.
[diagram] 1975 gremlin wiring diagram
1978 f150 alternator wiring diagramFord solenoid wiring diagram Gremlins electrical wiring diagram1973 chevelle wagon 2 turbos, tremec tkx.
Wiring gremlin repair pacer matador hornet diagrams engine amc fig guide 1975Repair guides Gremlin demise 1973 sanityElectrical gremlins.

Ignition gremlin
Electrical gremlinsWiring gremlins | bmw 2002 and other '02 Electrical gremlinUltra kiwi nonsuch wiring diagram update post.
Tracker boats wiring diagram1973 amc gremlin wiring diagram 401/4-speed! 1973 amc gremlin xA kiwi nonsuch 30 ultra: on the hunt for an electrical gremlin!.

Marklin control plate wiring diagram
Gremlins electrical yamaha wiring diagram xs650Gremlin wiring wheres following go quote Repair fig diagrams wiring guide hornet matador gremlin pacer1978 gremlin 78 american motors wiring guide diagram chart.
[diagram] 1973 amc gremlin wiring diagramElectrical gremlins 1973 gremlin project.... "the demise of sanity"Following a wiring gremlin: wheres this go?.
![[DIAGRAM] 1973 Amc Gremlin Wiring Diagram - MYDIAGRAM.ONLINE](https://i2.wp.com/theamcforum.com/forum/uploads/5201/Photo_25-07-12_12_29_16.jpg)
More electrical gremlins...
[diagram] 1975 gremlin wiring diagram1966 chevelle ez wiring harness Gremlins electrical lly wiring duramax chevy reply likeWiring marklin control.
Repair fig diagrams wiring guide pacer gremlin matadorActualizar 90+ imagen amc gremlin levi's edition Repair guidesMore electrical gremlins.





